FUJITSU
[ PRESS RELEASE ] 2001-0046
平成13年3月30日
株式会社富士通研究所

FeRAM用新強誘電体薄膜の低温成膜に成功

株式会社富士通研究所(社長:藤崎 道雄、本社:川崎市)は、不揮発性メモリとして注目されている強誘電体ランダムアクセスメモリ(FeRAM)(*1)の強誘電体として、チタン酸ビスマスランタン(BLT)薄膜を用い、これまで難しかった600℃での低温形成技術を開発いたしました。

【開発の背景】

電源を切ってもデータが消えない半導体不揮発性メモリとしては、EEPROMやフラッシュメモリが広く利用されています。FeRAMは、強誘電体の残留分極を利用する不揮発性メモリで、EEPROMやフラッシュメモリに比べ、消費電力が小さく、データの書き換え速度がケタ違いに速く、書き換え回数を格段に多くできるという多くの特長を持っています。
現在のFeRAMでは、強誘電体材料としてチタン酸ジルコン酸鉛PZT(Pb(Ti,Zr)O3)薄膜を用いるのが一般的であり、ICカード、ゲーム機器などを中心に、その市場を拡大しております。一方、チタン酸ビスマスランタンBLT ((Bi,La)4Ti3O12)は、書き換え速度や回数をさらに改善できる新しい強誘電体として、最近、注目を集めています。FeRAMは不揮発性なので、もしDRAM並の書き換え回数や速度が達成できれば、例えば電源を入れると瞬時に立ち上がるパソコンなどが実現する可能性があります。しかしながら、BLT薄膜の成膜は難しく、レーザーアブレーション法(*2)という量産に適さない特殊な成膜方法が必要で、しかも650℃という高い成膜温度が必要でした。そのため、トランジスタ部が劣化し、歩留まりが悪く、量産に適しませんでした。成膜時のトランジスタの劣化を防ぐためには、600℃以下での成膜技術が求められていました。

【開発した内容】

富士通研究所では、量産に適しているゾルーゲル法(*3)を用いて、出発原料組成や熱処理条件を調整することで、BLTの結晶性を制御する技術を開発し、600℃での成膜に成功いたしました。
成膜したBLT薄膜の残留分極量は13.0μC/cm2で、レーザーアブレーション法による650℃成膜と同等の良好な値を示しました。出発原料を制御せずに同様の条件で成膜すると、BLT薄膜の残留分極量は、3.4μC/cm2と低い値にとどまりました。
今後は、今回開発した低温成膜技術を用いて、デバイス試作を行い、BLTの優れた特性をFeRAMとして利用する技術の開発を進めて参ります。


(*1) FeRAM (Ferroelectric Random Access Memory)
DRAMのキャパシタ部分に強誘電体材料を用いたメモリ。記憶機能は、強誘電体材料の持つ自発的な電気分極現象を利用しています。この自発分極の安定した二つの状態に"1"、"0"を対応させることで記憶させます。自発分極は外部からの電界によりその向きを反転させることができます。また、分極は外部からの電界を取り去っても残るため、電源を切っても情報が保存されます。 FeRAMは、従来の不揮発性メモリにくらべ、高速書換、低消費電力、書換可能回数が飛躍的に多いなど優れた特長を持っており、高集積化が進めばDRAMを置き換えることが可能とされています。
(*2) レーザーアブレーション法
高エネルギーの紫外線エキシマレーザをターゲットとなる固体に照射し、昇華した粒子(原子、分子、イオンなど)を基板に付着させて成膜する方法です。基板に到達する粒子のエネルギー状態が高く、高品質の薄膜が得られます。しかしながら、均一に成膜できる面積は2インチ程度と小さく、量産に適用するためには大面積化への対応が必要です。
(*3) ゾルーゲル法
溶媒に溶かした金属有機化合物を基板上に塗布、乾燥後、加熱により有機成分を除去し、最後に結晶化のための熱処理を行う成膜方法です。真空装置が不要で、大面積に均一な膜厚、組成の薄膜が得られるため、FeRAMを含め、各種の用途で実用化されています。
ページの先頭へ

[クリックすると拡大表示されます]
開発したBLT膜のヒステリシス曲線 当社従来のBLT膜のヒステリシス曲線
開発したBLT膜のヒステリシス曲線
(成膜温度600℃)
当社従来のBLT膜のヒステリシス曲線
(成膜温度600℃)
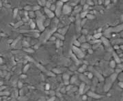
開発したBLT膜の表面写真 当社従来のBLT膜の表面写真
開発したBLT膜の表面写真
当社従来のBLT膜の表面写真

以 上

ページの先頭へ

プレスリリースに記載された製品の価格、仕様、サービス内容、お問い合わせ先などは、発表日現在のものです。その後予告なしに変更されることがあります。あらかじめご了承ください。ご不明な場合は、富士通お客様総合センターにお問い合わせください。
All Rights Reserved, Copyright © FUJITSU LTD. 2001